美易连
质量管控
检测与生产设备
专利技术
关于我们
产品
塑料包金属连接器
全塑料连接器
金属连接器
锁扣连接器
光纤连接器
耐高压连接器
流体连接器
射频同轴连接器
高速信号连接器
线束组件
应用
医疗
工业与通信技术
特种行业和安全技术
下载
账号
注册
登录
连接器定制
联系
产品搜索
中文
中文
ENGLISH
Q系列
主要特点
最小化尺寸外壳
快速的推拉自锁系统
360度EMC防护
轻量化
技术性能
插拔次数大于5000次
工作温度-55℃~+200°C
盐雾实验大于96小时,特殊可达1000小时
防护等级IP68
金属连接器
插拔自锁系列
Q系列
ZLL外螺母固定插座
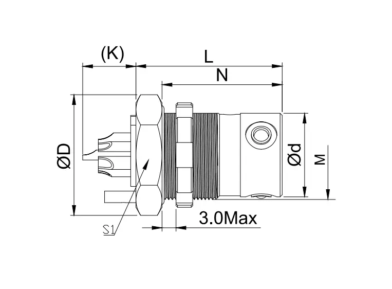
壳体号
Φd
ΦD
N
L
K
M
S1
0Q
8.0
11.4
11.5
14.0
5.1
M8.5X0.35
10
1Q
10.0
13.7
11.5
14.0
6.6
M10.5X0.5
12
2Q
12.0
15.5
11.5
14.0
5.1
M12.5X0.5
14
ZLL外螺母固定插座
产品特点
机箱外螺母安装
定位1\2\3\4
相关应用
步兵车
光刻机
自动驾驶控制系统
咨询详情
收藏
×
NaN / 3
❮
❯
相关产品
ZLY外螺母固定插座
TLZ直式插头
DLZ浮动直式插座
021-38710636
留言咨询
微信客服